崴力士有限公司 專營電動拖板車,電動堆高機買賣,保養,維修
Close
首頁
關於我們
+
關於我們
產品介紹
+
電動拖板車
電動堆高機
高空作業設備
油桶搬運設備
手推式搬運設備
二手車
零件
服務項目
+
特殊規格製作
倉儲架設計規劃
零件
常見問題
聯絡我們
0 項
$0
首頁
關於我們
關於我們
產品介紹
電動拖板車
簡易電動拖板車-G20i
簡易電動拖板車-CBD-20D
簡易電動拖板車-F4
全電動拖板車-EPT
簡易電動拖板車 ET2
自走式電動拖板車CBD-JT
自走式電動拖板車-LPT-20E
自走式電動拖板車-LPT-22S
電動堆高機
半電動堆高機
半電動堆高機+驅動部
簡易自走式電動堆高機
1.5噸側拉式電動堆高機QDA
自走式電動堆高機-LPS-15E
自走式電動堆高機-LPS-18S
伸縮式電動堆高機-LPF-15SR
高空作業設備
高空取料機
電動揀料車-LEOP
高空作業台-ESL
高空作業車-LHT
油桶搬運設備
油桶翻轉機
單桶夾具
雙桶夾具
油桶過磅車
手推式搬運設備
2.0噸油壓拖板車
2.5噸油壓拖板車
昇降平台車
磅秤拖板車
二手車
電動拖板車
零件
全電動拖板車-EPT
服務項目
特殊規格製作
倉儲架設計規劃
零件
常見問題
聯絡我們
0 項
$0
注意:這訂單將以TWD付款
自走式電動拖板車(豪華型) -LPT-22S
自走式電動拖板車
LPT-22S
*堅固且符合人體工學的設計
*適合室內重工況長時間工作
*CURTIS控制器,交流驅動系統提供充足動力
*搭配歐洲進口無刷驅動馬達,免保養,高效率
*可依客戶需求進行客製化設計
加入詢價
分享到
商品特色
自走式電動拖板車 LPT-22S
配備大容量產業電瓶,歐洲進口驅動主機,多功能電量表,AC無碳刷驅動系統,行駛間更佳平順無頓挫感
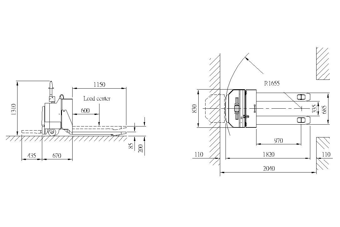
規 格
LPT-22S
LPT-30S
負載能力
2200
3000
kg
負載中心
600
600
mm
貨叉最低高度
85
85
mm
貨叉最高高度
200
200
mm
機台長度
1820
1820
mm
機台寬度
830
830
mm
驅動輪
230/70
230/70
mm
負載輪
80/70
80/70
mm
迴轉半徑
1655
1655
mm
直角通道寬
2120
2120
mm
空載行走速度
6
6
km/h
負載行走速度
5.5
5.5
km/h
空載爬坡能力
16%
16%
%
負載爬坡能力
8%
8%
%
機台重量
650
700
kg
電瓶
180
240
Ah/5hr
充電機
110/24
110/24
AC/DC
撥打電話
加入好友
meta http-equiv='content-language' content='en-gb''
為提供您最佳個人化且即時的服務,本網站透過使用"Cookies"記錄與存取您的瀏覽使用訊息。當您使用本網站,即表示您同意Cookies技術支援。
Learn more
接受並關閉